TK PC 2518-11-m
Коробка для монтажа электронных и электротехнических изделий. Дополнительные принадлежности: монтажные пластины, рейки
| Дополнительное оборудование (для заказа) | монтажные пластины, рейки | |
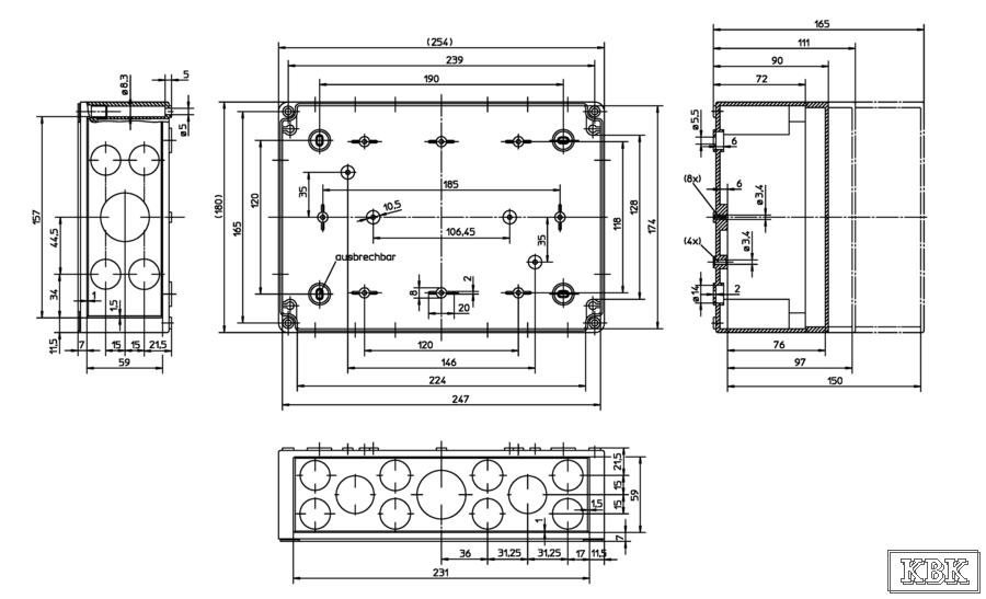
| Длина | 254 мм | |
| Высота | 111 мм | |
| Ширина | 180 мм | |
| Количество входов | 24хМ20, 4хМ32/40, 4хМ25/32 | |
| Уровень защиты | IP 66 | |
| Ударопрочность | IK 08 | |
| Матеріал | поликарбонат | |
| Напряжение изоляции | 690 В | |
| Мин. t° окружающей среды | -35 °C | |
| Макс. t° окружающей среды | +80 °C | |
| Макс. влажность | 50 % | |
| Цвет | серая |
| sp12790801 | € 53,56 |

ru


