Реле времени электронное 1 канал TR 610 top2 24V
Ряд дополнительных функций: переход на летнее или зимнее время, осуществляемый автоматически, циклическая и импульсная программа, программа каникул и произвольных включений, имитирующая присутствие человека в доме – отличают эту серию от электромеханических реле. Шаг программы составляет 1 секунду, а резерв хода – до 10 лет. Стандартная точность хода – менее ± 1 сек в сутки.
- Графический ЖКД
- Применен ТОП – принцип программирования: поясняющая строка на дисплее подсказывает оператору следующий шаг
- Программирование осуществляется как клавиатурой реле, так и с помощью ПК
- Подсветка экрана
- Программирование: 24 ч./ 7 сут./ год/астро
- Произвольное образование блоков из дней недели
- Ручное включение/выключение
- Возможность временного изменения состояния контактов до противоположной команды программы
- Программа каникул
- Импульсная программа
- Циклическая программа
- Программа случайных включений
- Программа приоритетных включений
- Программа одноразовых включений
- PIN – кодирование
- Встроенный счетчик часов работы (с возможностью сброса показаний) для контроля техобслуживания
- Коммутация в нуле синусоиды напряжения
- Интерфейс для карты памяти OBELIK top 2
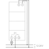
- Внешний управляющий вход
| Количество каналов | 1 | |
| Коммутация в нуле синусоиды | да | |
| Максимальная коммутируемая мощность, cos φ=1 | 16 А | |
| Максимальная коммутируемая мощность, cos φ=0,6 | 2 А | |
| Мощность ламп накаливания (макс.) | 1400 Вт Вт | |
| Мощность светодиодных ламп < 2 Вт | 6 Вт | |
| Мощность светодиодных ламп 2 Вт-8 Вт | 20 Вт | |
| Мощность светодиодных ламп > 8 Вт | 25 Вт | |
| Мощность энергосберегающих ламп | 30 Вт | |
| Точность хода | ± 0,25 с/день (кварц) | |
| Текстовые пояснения | + | |
| Интерфейс для карты памяти OBELISK | + | |
| Мин.включающая способоность | 10 мА | |
| Особые программы | Каникулы, счетчик моточасов | |
| Кол-во ячеек памяти | 56 | |
| Класс защиты | II (EN 60 730-1) | |
| Потребляемая мощность | ~0,3 Вт ВА | |
| Программа | 7 д | |
| Шаг программы | 1 мин. | |
| Возможность ввода программы каждые | 1 мин. | |
| Резерв хода | 10 лет | |
| Карта памяти OBELISK в комплекте | - | |
| Лето / зима | авто ч. | |
| Контакт | переключающий 16(2) A 24 B AC/DC | |
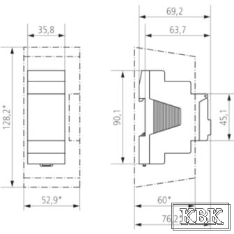
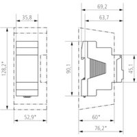
| Монтаж | DIN-рейка | |
| Кол-во модулей | 2 | |
| Дополнительный управляющий вход | - | |
| Уровень защиты | IP 20 | |
| Мин. t° окружающей среды | -30 °C | |
| Макс. t° окружающей среды | +55 °C |
| th6104100 | € 139,29 |
| Напряжение | 12 - 24 В UC |
24 В

ru


