Реле часу електронне 1 канал TR 610 top2 24V
Ряд додаткових функцій: перехід на літній/зимовий час здійснюється автоматично, циклічна та імпульсна програми, програма канікул та довільних увімкнень, що імітує присутність людини в будинку – відрізняють цю серію від електромеханічних реле. Крок програми складає 1 секунду, а резерв ходу – до 10 років. Стандартна точність ходу – менше ± 1 сек на добу.
- Графічний РКД
- Застосований ТОП – принцип програмування: пояснюючий рядок на дисплеї підказує оператору наступний крок
- Програмування здійснюється як клавіатурою реле, так і за допомогою ПК
- Підсвітка екрану
- Програмування: 24 г./ 7 діб./ рік/астро
- Довільне створення блоків з днів тижня
- Ручне вмикання/вимикання
- Можливість тимчасової зміни стану контактів до протилежної команди програми
- Програма канікул
- Імпульсна програма
- Циклічна програма
- Програма випадкових включень
- Програма пріоритетних включень
- Програма одноразових включень
- PIN – кодування
- Вбудований лічильник годин роботи (з можливістю скидання показників) для контролю техобслуговування
- Комутація в нулі синусоїди напруги
- Інтерфейс для карти пам'яті OBELIK top 2
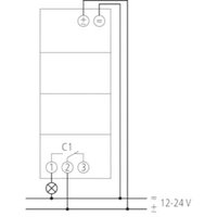
- Зовнішній керуючий вхід
| Кількість каналів | 1 | |
| Комутація у нулі синусоїди | так | |
| Максимальна перемикаюча здатність, cos φ=1 | 16 А | |
| Максимальна перемикаюча здатність, cos φ=0,6 | 2 А | |
| Потужність ламп розжарювання (макс.) | 1400 Вт Вт | |
| Потужність світлодіодних ламп < 2 Вт | 6 Вт | |
| Потужність світлодіодних ламп 2 Вт-8 Вт | 20 Вт | |
| Потужність світлодіодних ламп > 8 Вт | 25 Вт | |
| Потужність енергозберігаючих ламп | 30 Вт | |
| Точність ходу | ± 0,25 с/доба (кварц) | |
| Текстові пояснення | + | |
| Інтерфейс для карти пам'яті OBELISK | + | |
| Мін.вмикаюча здатність | 10 мА | |
| Особливі програми | Канікули, лічильник мотогодин | |
| Кількість комірок пам'яті | 56 | |
| Клас захисту | II (EN 60 730-1) | |
| Споживча потужність | ~0,3 Вт ВА | |
| Програма | 7 д | |
| Крок програми | 1 хв. | |
| Можливість вводу програми кожні | 1 хв. | |
| Резерв ходу | 10 років | |
| Карта пам'яті OBELISK у комплекті | - | |
| Літо / зима | авто г. | |
| Контакт | перемикаючий 16(2) A 24 B AC/DC | |
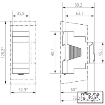
| Монтаж | DIN-рейка | |
| Кіл-ть модулів | 2 | |
| Додатковий керуючий вхід | - | |
| Рівень захисту | IP 20 | |
| Мін. t° навколишнього середовища | -30 °C | |
| Макс. t° навколишнього середовища | +55 °C |
| th6104100 | € 139,29 |
| Напруга | 12 - 24 В UC |
24 В

uk


