Реле часу електронне 2 канали, річна та астро- програми TR 642 top2 RC 24V
Електроне реле часу з річною та астрономічною програмою
- Можливість синхронізації часу за допомогою DCF антени
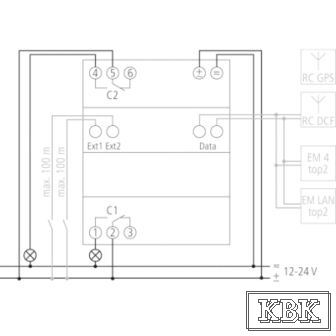
- Зовнішні входи
- Можливість підключення зовнішніх датчиків та апаратури керування
- Можливість підключити зовнішні вимикачі (Постійно ВМИК/ВИМК)
- Програма Імпульс
- Програма Цикл
- Широкий функціонал налаштування річної програми
- Прості тижневі програми та 14 різних тижневих програм із налаштуванням пріоритету та діапазону дат
- Таймер зворотного відліку
- Дві випадкові програми
- Фіксовані та «плаваючі» свята та канікули, що залежать від дати Великодня; дні тижня та діапазон дат із послідовним повтором
- Попередньо встановлені державні свята Німеччини, Швейцарії, Франції та інших європейських країн
- Налаштована програма відображається на дисплеї
- Графічне відображення на ПК річної програми для кожного каналу
- Астрономічна програма (розрахунок часу сходу та заходу сонця для кожного дня року)
- Налаштування затримки спрацьовування за часом заходу/сходу
- Можливість ввести координати місцезнаходження або обрати зі списку країну/місто
- Можливість створити на ПК власний список міст (обрані) та таблиці часу перемикання за астрономічною програмою
- Налаштування вмикання/вимикання за часом користувача
- Моделювання перемикань за астропрограмою (розрахунок кількості спрацьовувань реле за рік, сумарного часу роботи тощо)
- Різні налаштування астрономічної програми (ВМИК на заході/ВИМК на сході; ВМИК на сході/ВИМК на заході; Імпульс за розрахунковим часом)
- Програма святкових днів, канікул
- Пружинні клеми DuoFix для 2 дротів кожна
- Моно- або багатодротова жила (із застосуванням наконечників чи без них)
- Перетин дроту: 0,5 - 2,5 мм²
- Кнопка для легкого вивільнення дроту
- Текстове меню налаштування пристрою
- Попередньо встановлені дата та час
- Готовий до використання без підключення до мережі
- Інтерфейс для карти пам’яті Obelisk top2 (налаштування пристрою на ПК)
- Запуск програм з карти пам’яті, копіювання та зберігання програм
- Ресурс автономного живлення 10 років (літієва батарея)
- Час ВМИК/ВИМК
- Примусове перемикання
- Перемикання Постійно ВМИК/Постійно ВИМК ВЫКЛ з високим пріоритетом та налаштуванням діапазону дат
- Вбудований лічильник мотогодин
- Скидання налаштувань
- Сервісна функція для контролю інтервалів технічного обслуговування
- Підсвічування дисплею (може бути вимкнене)
- Захист PIN-кодом
- Автоматичний перехід на зимовий/літній час (може бути деактивований)
- Правила перемикання часу для Європи, США та інших країн, можливість створення власного правила перемикання
| Кількість каналів | 2 | |
| Комутація у нулі синусоїди | так | |
| Максимальна перемикаюча здатність, cos φ=1 | 16 А | |
| Максимальна перемикаюча здатність, cos φ=0,6 | 2 А | |
| Потужність ламп розжарювання (макс.) | 1400 Вт Вт | |
| Потужність енергозберігаючих ламп | 7x7 Вт, 6x11 Вт, 5x15 Вт, 5x20 Вт, 4x23 Вт | |
| Точність ходу | ± 0.5 с/доба (кварц) або DCF77 | |
| Ручне керування | 2-канальне | |
| Текстові пояснення | + | |
| Інтерфейс для карти пам'яті OBELISK | + | |
| Мін.вмикаюча здатність | 10 мА | |
| Особливі програми | Циклічна, імпульсна, програма випадкових вмикань | |
| Кількість комірок пам'яті | 800 | |
| Клас захисту | II (EN 60 730-1) | |
| Споживча потужність | ~1,5 Вт ВА | |
| Програма | 365 д, астро | |
| Крок програми | 1 с. | |
| Можливість вводу програми кожні | 1 с. | |
| Резерв ходу | 8 років | |
| Карта пам'яті OBELISK у комплекті | - | |
| Літо / зима | авто г. | |
| Контакт | перемикаючий 2х16(2) A 250 B- | |
| Монтаж | DIN-рейка | |
| Кіл-ть модулів | 3 | |
| Додатковий керуючий вхід | 2 | |
| Рівень захисту | IP 20 | |
| Мін. t° навколишнього середовища | -30 °C | |
| Макс. t° навколишнього середовища | +45 °C |
| th6424300 | ₴ 0,00 |
| Напруга | 12 - 24 В UC |
24 В

uk


